TP-02卷簾放風一體化物聯網智能控制模塊 使用說明
一、規格
輸入電源(適配器):AC 220V ±10%
輸入功率:7W
通訊方式:WIFI 2.4G
天 線: 外置
輸出:
風口開繼電器
風口關繼電器
卷簾開繼電器
卷簾關繼電器
二.功能概述:
普通棚模式應用于冬暖鋼架式溫室大棚,種植蔬菜、果品、養殖,育苗,種花,無土栽培等
定時模式根據需要,設置風口、卷簾開啟或者關閉的時間,適合有規律的應用。
照度模式的風口受棚內溫度控制,溫度高開啟風口通風,降低棚內溫度,溫度低了關閉風口保溫;卷簾受照度控制,照度高開啟卷簾接收陽光棚內升溫,照度低關閉卷簾棚內保溫。
現代大棚模式應用于玻璃連棟溫室、生態溫室
現代棚中的定時模式下,卷簾功能開啟或者關閉受設定時間控制,達到開啟時間就開啟,達到關閉時間就關閉;風口功能受溫度控制,溫度高了就開啟風口通風降溫,溫度低了就關閉風口。
現代化棚中的照度模式下,卷簾功能可兼任遮陽網功能,照度高關閉遮陽網,減少陽光照射降低棚內溫度,照度低了開啟遮陽網;風口功能受溫度控制,棚內溫度高了開啟風口天窗,溫度低了關閉風口天窗。
風口、卷簾在開啟或者關閉運行中受“超時”保護,在設定時間內正常運行,超過時間對應的設備停止,起到保護作用。
三.模塊概述:
1.1普通棚模式
1.1.1定時模式
1.1.2照度模式
1.2現代化棚模式
1.2.1定時模式
1.2.2照度模式
控制設備:
風口(帶功能啟用)
卷簾
四、使用:
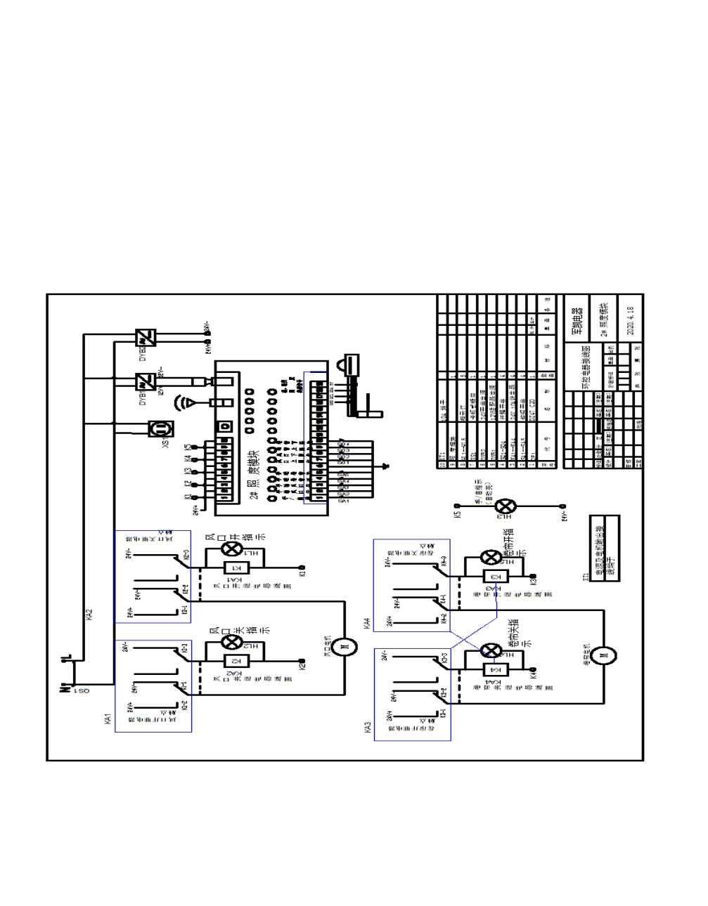
模塊按照接線圖連接好模塊工作電源、限位行程開關和對應的卷簾機或電動風口機,手機掃碼安裝App的 “田棚元帥”應用文件。按住配網按鈕5秒,配網指示燈閃爍時松開配網按鈕,通過手機App添加相應的設備。
控制設備使用過程中的選擇遵循XXXX(普通棚或現代化棚)模式下XXXX(定時模式或者照度模式)模式,根據實際控制要求設定數值。
1.1.1風口功能:時間設置
開啟:實際時間到達開啟時間
關閉:實際時間到達關閉時間
條件:使能開啟;開/關限位未動作;開啟時間早于關閉時間
定時模式下,風口開啟和關閉受定時時間控制,適合有規律的應用操作,如早上10:00點開風口,下午16:30關閉風口,周而復始循環可使用該模式。
1.1.2卷簾功能:時間設置
開啟:實際時間到達開時間
關閉:實際時間到達關時間
條件:卷簾開/關限位未動作;開啟時間早于關閉時間
定時模式下,卷簾開啟和關閉受定時時間控制,適合有規律的應用操作,如上午8:00開啟卷簾,下午17:30關閉卷簾,周而復始循環開啟和關閉。
1.2普通棚--照度模式
1.2.1風口功能:溫度設置
開啟:實際>=設置
關閉:實際<設置
條件:使能開啟;風口開/關限位未動作;設置開啟值>設置關 閉值
實際溫度高于風口開啟溫度時,風口開啟,作物通風降溫;當實際溫度低于風口關閉溫度時,風口關閉保溫。
1.2.2卷簾功能:照度設置
開啟:實際>=設置
關閉:實際<設置
條件:卷簾開/關限位未動作;設置開啟值>設置關閉值
環境實際照度高于卷簾開啟照度時,卷簾開啟接受陽光升溫;環境照度低于卷簾關閉照度時,卷簾關閉保溫。
2.1現代化棚—定時模式
2.1.1卷簾功能:定時模式
開啟:實際時間到達開時間
關閉:實際時間到達關時間
條件:卷簾開/關限位未動作;開啟時間早于關閉時間
定時模式下,卷簾開啟和關閉受定時時間控制,適合有規律的開啟或關閉應用操作。
2.1.2風口功能:定時模式-設置溫度值
開啟:實際溫度>=設置溫度
關閉:實際溫度<設置溫度
條件:使能有效;風口開/關限位未動作;開啟設置值>關閉設置值
實際環境溫度高于設置值風口開啟,增加通風量降低環境溫度,當溫度降到風口關閉設置時,關閉風口保溫
2.2現代棚—照度模式
2.2.1遮陽功能:照度模式
開啟:實際照度值<=設置值
關閉:實際照度值>設置值
條件:遮陽(卷簾)開/關限位未動作;開啟設置值<關閉設置值
該模式下控制電動遮陽簾,照度模式下實際照度值低于遮陽(卷簾)開啟設定值時遮陽簾(卷簾)開啟;當實際照度值高于遮陽(卷簾)關閉設定值時遮陽簾(卷簾)關閉,與電動遮陽簾配合使用該功能。
2.2.2風口功能:照度模式 (設置溫度值)
開啟:實際溫度>=設置溫度
關閉:實際溫度<設置溫度
條件:使能有效;風口開/關限位未動作;開啟設置 值>關閉設置值
實際環境溫度高于設置值風口開啟溫度風口開啟,增加通風量,降低環境溫度;當環境溫度降到風口關閉設置時,風口關閉已保溫。
注意事項: